當一回物理學家——電阻串、并聯公式的驗證
電荷在導體中運動時,會受到分子和原子等其他粒子的碰撞與摩擦,碰撞和摩擦的結果形成了導體對電流的阻礙,這種阻礙作用最明顯的特征是導體消耗電能而發熱(或發光)。物體對電流的這種阻礙作用,稱為該物體的電阻。因為導體有電阻,所以在電路中造成了能量損耗,甚至發熱損壞設備。此時的電阻對于人們來說是及其不友好的,但是在某些特定電路中比如電路對電壓或者電流的限制有著苛刻的要求,此時電阻又處在無法替代的地位。所以評價電阻這個特性時,不存在好不好只存在怎么利用。
那么在電路中,電阻是怎么計算的呢?我們知道歐姆定律I=U/R(在同一電路中,導體中的電流跟導體兩端的電壓成正比,跟導體的電阻成反比),也知道電阻串聯總電阻等于各個電阻相加的和、電阻并聯時總電阻的倒數等于各分電阻的倒數之和。本期實驗就是要證明串聯與并聯電阻的計算公式。
所需設備:DrDAQ數據記錄器,各種電阻值不同的電阻器,小端子塊(可選,本實驗采用8同一阻值的LED,A1到A4、B1到B4)

實驗設置:
1.將DrDAQ數據記錄器連接到PC
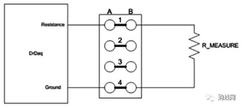
2.將DrDAQ'R'連接器連接到端子板A-1端
3.將DrDAQ'G'連接器連接到端子板A-4端
進行試驗:
1.測量電阻
R_MEASURE接到B-1和B-4,如下圖所示。使用PicoScope中的儀表功能來測量電阻,注意該值,然后重復使用不同的值電阻。

2.測量電阻串聯
連接電阻器測量(R1和R2)到B-1和B-2以及B-3和B-4,如圖2所示。
將電線從A-2連接到A-3,如下圖所示。再次使用PicoScope來測量電阻,注意該值,然后重復使用不同的值電阻。

3.并聯測量電阻
連接電阻器測量(R1和R2)到B-1和B-4,如下圖所示。使用PicoScope來測量電阻,注意該值,然后重復使用不同的值電阻。

問題和討論結果:
1.為什么電阻并聯連接時電阻較低?
2.當電阻串聯時,為什么電阻較高?
3.連接“負載”(燈泡,電機等)的好處是什么?
4.為什么結果還是會存在一點點的誤差?原因是什么?
版權聲明:本資料屬于北京海洋興業科技股份有限公司所有,如需轉載,請注明出處!



